当前位置:首页  »  产品中心  »  皮革类试验机

包装用皮革耐挠性试验机

【概要描述】满足标准:GB/T 3903.41,GB/T 20991,QB/T 2714,ISO 17694,EN ISO 20344,EN ISO 5402 BS 3144,SATRA TM55

型号:HY-761 点击量: 更新日期:2024-1-19 服务热线:400-8300-665
  • 产品概述
  • 技术参数
  • 附件

满足标准: 

1.适用标准:符合标准GB/T 20991-2007《个体防护装备 鞋的测试方法》要求。
2.主要用途:鞋用皮革材料耐屈挠性试验。


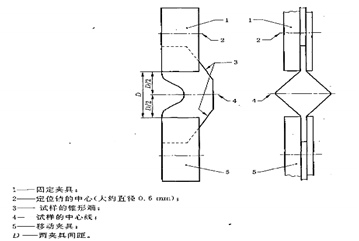
1.夹具(如图):有一个可调的固定部件,固定部件.上装有夹具,使试样- - 端保持在固定位置上,另有一个相似的移,动部件夹紧试样的另一端。移动部件应沿两夹具间的中心线方向并在同一水平面上来回运动,其行程可调,以使两夹具最近距离为(13±1)mm,最远距离为(57±1)mm。


2.同时可试12个试片。
3.测试速度:(340-400)次/分钟。
4.控制器:计数,达到规定次数自动停机功能,断电记忆功能。
5.配裁刀,裁刀尺寸如图(单位:mm)
6.具有测试完自动回原点功能


1.仪器中文操作说明书一份
2.仪器保修卡一份
3.国际第三方CNAS试验室仪校报告一份

联系方式

总部邮箱:8386@www.jinnianhui.com 总部地址:广东省东莞市道滘镇厚德上梁洲工业区
咨询热线

400-8300-665

(周一至周日9:00-19:00) 联系我们
金年会jinnianhui中文站
金年会jinnianhui国际站
©2001- 金年会jinnianhui仪器 All Rights Reserved.  粤ICP备09114076号-5 24小时免费服务热线:400-8300-665 返回首页 | 网站地图 | 联系我们